





.
.
Points Clés
- Grande capacité flash-4Mbit série ESP8266 WIFI
- Facilité d’utilisation dans un environnement de développement Linux ou Windows
- Fonctionnalités avancées de connexion au cloud
- Fonctionnement simplifié avec des commandes AT
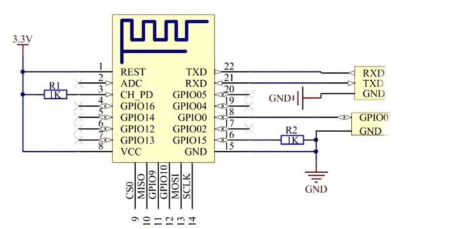
Description du produit
Grande capacité flash-4Mbit série ESP8266 WIFI
L’ESP8266 est un module WIFI de pointe qui offre une grande capacité flash-4Mbit série. Ce module est spécifiquement conçu pour être utilisé dans des applications sans fil. Le modèle ESP-12E est pris en charge par cet équipement.


Facilité d’utilisation dans un environnement de développement Linux ou Windows
Ce module est compatible avec les systèmes Linux et peut être utilisé directement dans un environnement Windows. Il est particulièrement pratique pour le développement, ce qui permet de gagner du temps et de saisir rapidement le marché.
Fonctionnalités avancées de connexion au cloud
Ce module dispose de fonctionnalités avancées de connexion au cloud avec des commandes AT. Il est équipé de fonctionnalités telles que AT+CLDSTART pour démarrer la connexion au cloud, AT+CLDSTOP pour arrêter la connexion au cloud et AT+CLDSEND pour envoyer des données au cloud.
Fonctionnement simplifié avec des commandes AT
Les commandes AT permettent un fonctionnement simplifié de ce module. Par exemple, avec la commande AT+CWMODE=1, il est possible de configurer une connexion WiFi. De plus, la commande AT+SMARTSTART=1 permet de configurer facilement une connexion en utilisant la technologie ESP_TOUCH.
Que pensent les clients du produit?
Aucun avis client n’est disponible pour le moment.
Avis sur le produit
Le module ESP8266 port série WIFI télécommande sans fil est un excellent choix pour les développeurs à la recherche d’une solution sans fil pratique. Sa grande capacité flash et ses fonctionnalités avancées de connexion au cloud en font un choix idéal pour les applications IoT. De plus, son fonctionnement simplifié avec des commandes AT facilite son utilisation.
Cependant, il est important de noter que la compatibilité de ce module avec les systèmes Linux et Windows peut être limitée. De plus, en l’absence d’avis clients, il est difficile de se faire une idée précise de sa fiabilité et de ses performances.
FAQ
Q: Quelle est l’utilisation du cloud?
A: Le cloud permet de mettre en avant les données d’un serveur à un équipement distant, facilitant ainsi la transmission de données à distance. Cela permet également un contrôle à distance de l’équipement, ce qui peut être bénéfique pour les applications domotiques, par exemple.
Q: Quelles sont les fonctionnalités avancées de ce module?
A: Ce module dispose de nombreuses fonctionnalités avancées telles que la connexion au cloud, la gestion des connexions cloud, l’envoi de données au cloud, la connexion intelligente et bien plus encore.
Q: Peut-on développer sans utiliser les commandes AT?
A: Oui, il est possible de développer en utilisant le SDK Shun AI-CLOUD de 8266. Cela permet une plus grande flexibilité et une personnalisation plus poussée.
