




.
.
Points Clés
| Caractéristiques | Valeur |
|---|---|
| Puissance de sortie | 0.75KW/1.5KW/2.2KW/3KW/4KW |
| Courant nominal | 4A/7A/10A/13A/16A |
| Fréquence nominale | 50hz/60hz |
| Gamme de fréquence de sortie | 0 ~ 650Hz |
| Gamme de tension d’entrée | Monophasé (1 phase) 220V ± 15% |
| Gamme de tension de sortie | Phase 220V ± 15% |
| Manière de contrôle | Contrôle de vecteur de boucle ouverte (SVC) V/F contrôle |
| Couple de démarrage | machine de type G: 0.5Hz/150% (SVC) |
| Fonction principale | Contrôle et réglage de la vitesse du moteur à courant alternatif |
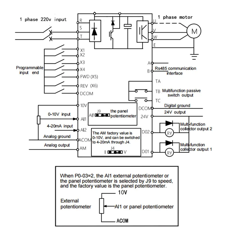
Description du Produit
Le Vineau-Onduleur à vitesse réglable est un convertisseur de fréquence monophasé avec une entrée et une sortie monophasée. Il est conçu pour les moteurs monophasés et est disponible dans différentes puissances de sortie (0.75KW/1.5KW/2.2KW/3KW/4KW) et courants nominaux (4A/7A/10A/13A/16A). La fréquence nominale est de 50Hz/60Hz et la gamme de fréquence de sortie est de 0 à 650Hz. La tension d’entrée est monophasée (1 phase) 220V ± 15% et la tension de sortie est de phase 220V ± 15%. Le contrôle se fait par contrôle de vecteur de boucle ouverte (SVC) ou contrôle V/F. Le convertisseur offre également un couple de démarrage de 0.5Hz/150% pour les machines de type G et permet le contrôle et le réglage de la vitesse du moteur à courant alternatif. Un avantage notable de ce produit est qu’il ne nécessite pas de retrait du condensateur.
Que pensent les clients du produit
Aucun avis client n’est disponible pour le moment.
Avis personnel
Le Vineau-Onduleur à vitesse réglable est un produit intéressant pour ceux qui ont besoin de contrôler et de régler la vitesse de leur moteur monophasé. Avec sa gamme de puissances de sortie et de courants nominaux disponibles, il offre une grande flexibilité. De plus, la possibilité de contrôler la fréquence de sortie jusqu’à 650Hz est un avantage majeur pour les applications nécessitant une haute vitesse. La fonction de contrôle de vecteur de boucle ouverte (SVC) permet un contrôle précis du moteur. Cependant, il est important de noter que ce produit est conçu pour une tension d’entrée monophasée de 220V ± 15% et une tension de sortie monophasée de 220V ± 15%, ce qui limite son utilisation à des applications spécifiques.
FAQ
Q: Quelles sont les puissances de sortie disponibles pour le Vineau-Onduleur à vitesse réglable ?
R: Le Vineau-Onduleur à vitesse réglable est disponible avec des puissances de sortie de 0.75KW, 1.5KW, 2.2KW, 3KW et 4KW.
Q: Quelle est la gamme de fréquence de sortie du Vineau-Onduleur à vitesse réglable ?
R: La gamme de fréquence de sortie du Vineau-Onduleur à vitesse réglable est de 0 à 650Hz.
Q: Quelle est la tension d’entrée du Vineau-Onduleur à vitesse réglable ?
R: Le Vineau-Onduleur à vitesse réglable est conçu pour une tension d’entrée monophasée (1 phase) de 220V ± 15%.
