





.
.
Points Clés
- Cône: linéaire
- Tolérance: ± 5%
- Nombre de gangs: 1
- Commutateur intégré: Aucun
- Puissance (Watts): 2W
- Coefficient de température: ± 50ppm/°C
- Nombre de tours: 10
- Rotation: 360°
- Type de réglage: Défini par l’utilisateur
- Matériau résistif: bobiné
- Style de terminaison: Cosse de soudure
- Type d’actionneur: fendu
- Longueur de l’actionneur: 0.812″ (20.63mm)
- Diamètre de l’actionneur: 0.2497″ (6.34mm)
Description du produit
Le potentiomètre multi-tours de précision série 3590S-2 3590S est un outil de réglage de résistance à 10
anneaux avec un cadran de comptage de tours et un bouton de 6.35mm. Il offre une haute précision grâce à sa
conception linéaire et une tolérance de ± 5%. Il est doté d’une puissance de 2W et d’un coefficient de
température de ± 50ppm/°C. Avec ses 10 tours de rotation, il permet un ajustement précis de la résistance. Le
potentiomètre est également fabriqué en matériau résistif bobiné et possède des terminaisons en cosses de
soudure. Son actionneur fendu mesure 0.812″ (20.63mm) de longueur et 0.2497″ (6.34mm) de diamètre.


Attributs du produit
- Cône: linéaire
- Tolérance: ± 5%
- Nombre de gangs: 1
- Commutateur intégré: Aucun
- Puissance (Watts): 2W
- Coefficient de température: ± 50ppm/°C
- Nombre de tours: 10
- Rotation: 360°
- Type de réglage: Défini par l’utilisateur
- Matériau résistif: bobiné
- Style de terminaison: Cosse de soudure
- Type d’actionneur: fendu
- Longueur de l’actionneur: 0.812″ (20.63mm)
- Diamètre de l’actionneur: 0.2497″ (6.34mm)
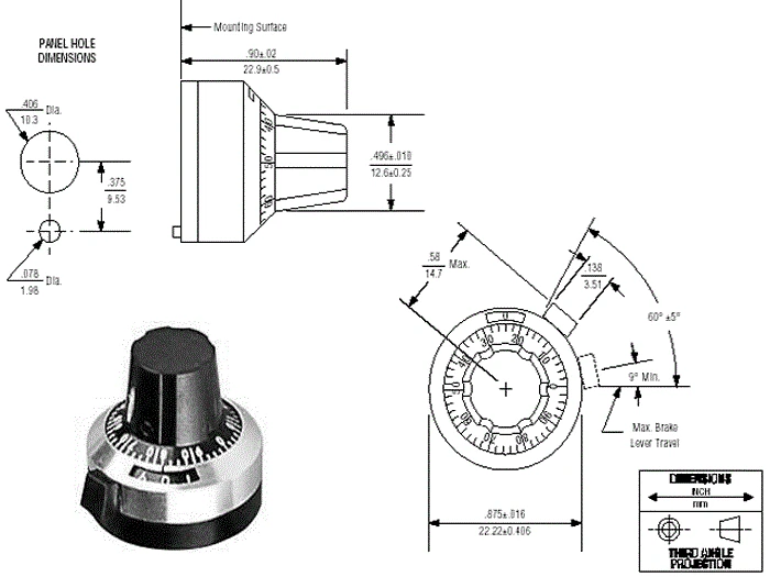
Bouton potentiomètre bouton d’échelle de précision 3590S
- Modèle: XSN-3
- OD: 22
- Hauteur: 25
- Positionnement de la distance centrale de Shaw: 9
- Rotation: 0-9
- Forme fixe: vis latérales
- Avec dispositif de verrouillage
- Destiné aux potentiomètres bobinés multitours de précision
- Tours: 10
- Couple de rotation: 50 ~ 500gf.cm
- Rapport de couple de: 1:3

Pensée des clients
Aucun avis disponible pour le moment.
Avis sur le produit
Le potentiomètre multi-tours de précision série 3590S-2 3590S est un excellent choix pour ceux qui recherchent
une résistance réglable à 10 anneaux avec un cadran de comptage de tours. Sa conception linéaire garantit une
haute précision et sa tolérance de ± 5% permet des ajustements précis. La puissance de 2W et le coefficient de
température de ± 50ppm/°C en font un outil fiable. Avec ses 10 tours de rotation, il offre une grande plage
d’ajustement de la résistance. Le matériau résistif bobiné et les terminaisons en cosses de soudure
garantissent une bonne durabilité. Le potentiomètre est également livré avec un bouton de 6.35mm pour une
manipulation facile. En résumé, le potentiomètre multi-tours de précision série 3590S-2 3590S est un produit de
qualité qui répondra aux besoins des utilisateurs les plus exigeants.
FAQ
Quelle est la tolérance de ce potentiomètre multi-tours de précision série 3590S-2 3590S ?
La tolérance de ce potentiomètre est de ± 5%.
Quelle est la puissance de ce potentiomètre multi-tours de précision série 3590S-2 3590S ?
La puissance de ce potentiomètre est de 2W.
Combien de tours de rotation propose ce potentiomètre multi-tours de précision série 3590S-2 3590S ?
Ce potentiomètre propose 10 tours de rotation.
