




.
.
Points Clés
| Modèle | LM7805 LM7809 LM7812 |
| Type d’alimentation | Trois bornes DC/AC |
| Tensions de sortie | 5V, 9V, 12V |
| Sortie maximale | 1.2A |
| Protection | Surchauffe, surintensités |
Caractéristiques du produit
Le module d’alimentation de la série L78XX intègre la rectification, les composants du filtre et la puce du régulateur de tension. Il entre la tension CA ou CC dans une certaine plage, peut réguler la tension CC de sortie et dispose d’une protection contre la surchauffe et les surintensités.
Paramètres du produit

Diagramme de connexion
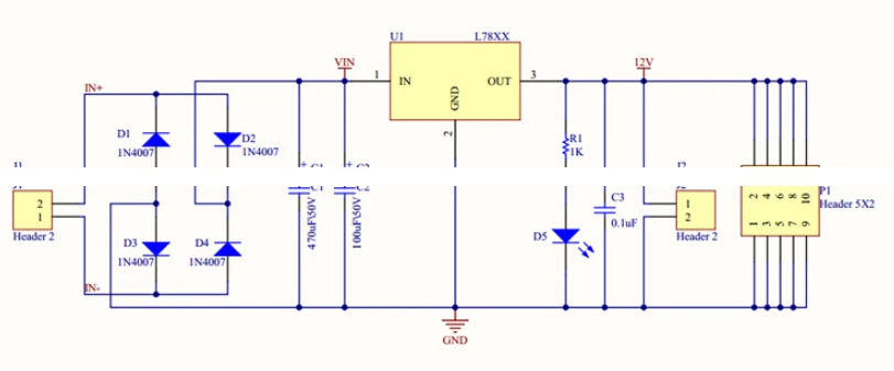
Schématique

Avis des clients
Aucun avis disponible pour le moment.
Notre avis sur le produit
Le module d’alimentation Sochi à trois bornes est un choix fiable pour réguler la tension CC ou CA. Avec ses tensions de sortie de 5V, 9V et 12V, il offre une flexibilité pour répondre à différents besoins. La protection contre la surchauffe et les surintensités garantit la sécurité de l’appareil alimenté. De plus, sa sortie maximale de 1.2A permet d’alimenter une large gamme de dispositifs électroniques.
Cependant, il est important de noter que ce module n’inclut pas le régulateur de tension LM7806 permettant une sortie de 6V. Cela peut limiter son utilité dans certains cas. Dans l’ensemble, le module d’alimentation Sochi offre une fiabilité et une performance solides pour répondre à vos besoins en alimentation électrique.
FAQ
Q: Quelles sont les tensions de sortie disponibles pour ce module d’alimentation Sochi?
R: Ce module offre des tensions de sortie de 5V, 9V et 12V.
Q: Est-il possible de réguler la tension d’entrée CA ou CC avec ce module?
R: Oui, ce module permet de réguler la tension d’entrée CA ou CC dans une certaine plage.
Q: Le module d’alimentation Sochi dispose-t-il d’une protection contre la surchauffe et les surintensités?
R: Oui, ce module est équipé d’une protection contre la surchauffe et les surintensités pour assurer la sécurité de vos appareils.
