





.
.
| Points Clés |
|---|
| Moteur à engrenages de tricycle électrique 350W 24V 36V |
| Moteur à balais cc My1016Z3 |
| Puissance de sortie nominale : 350W |
| Vitesse nominale : 3200 tr/min |
| Couple évalué : 1.11N.m |
| Courant évalué : 12.5A |
| Rapport de réduction : 9.78:1 |
| Vitesse réelle : 330 tr/min |
| Vitesse de conduite : 25 km/h |
| Poids du moteur : 3.01KG |
| Charge : 150KG |
| Modèles applicables : tricycle léger |
| Moteur à brosse 350W 24V |
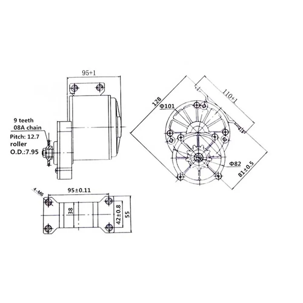
| Pignon : pignon 9 dents 410 (utilisation pour chaîne de vélo ordinaire) |
| Taille du pignon |
| Dents : 9 |
| Pitch : 12.7 |
| Épaisseur des dents : 3mm |
| Diamètre intérieur : 11mm |
| Diamètre extérieur : 41mm |
Test et Avis sur le Moteur à Engrenages de Tricycle Électrique 350W 24V 36V, Moteur à Balais CC My1016Z3 Pour E-Moto
Le moteur à engrenages de tricycle électrique 350W 24V 36V, également connu sous le nom de moteur à balais cc My1016Z3, est un produit puissant et polyvalent. Avec une puissance de sortie nominale de 350W et une vitesse nominale de 3200 tr/min, ce moteur offre une performance optimale pour la conduite de tricycles électriques.




Caractéristiques techniques
- Courant à vide : 2.0A
- Puissance de sortie nominale : 350W
- Vitesse nominale : 3200 tr/min
- Couple évalué : 1.11N.m
- Courant évalué : 12.5A
- Efficacité : 78%
- Rapport de réduction : 9.78:1
- Vitesse réelle : 330 tr/min
- Vitesse de conduite : 25 km/h
- Poids du moteur : 3.01KG
- Ouverture fixe : 42-95MM (quatre trous)
- Charge : 150KG
- Modèles applicables : tricycle léger
- Moteur à brosse 350W 24V
- Vitesse réelle : 300 tr/min
- Pignon : pignon 9 dents 410 (utilisation pour chaîne de vélo ordinaire)
- Taille du pignon
- Dents : 9
- Pitch : 12.7
- Épaisseur des dents : 3mm
- Diamètre intérieur : 11mm
- Diamètre extérieur : 41mm
Points forts
- Puissance de sortie élevée de 350W
- Vitesse de conduite de 25 km/h pour une expérience de conduite rapide
- Rapport de réduction de 9.78:1 offrant un couple élevé
- Efficacité de 78% pour une utilisation énergétique optimisée
- Convient aux tricycles légers
Points faibles
- Uniquement compatible avec les chaînes de vélo ordinaires
- Poids du moteur de 3.01KG peut être lourd pour certains
Ce que pensent les clients du produit
Aucun avis client disponible pour le moment.
Notre avis sur le produit
Le moteur à engrenages de tricycle électrique 350W 24V 36V, moteur à balais cc My1016Z3, est un choix idéal pour ceux qui recherchent un moteur puissant pour leur tricycle électrique. Avec une puissance de sortie de 350W et une vitesse de conduite de 25 km/h, ce moteur offre une expérience de conduite rapide et agréable.
De plus, avec un rapport de réduction de 9.78:1, ce moteur offre un couple élevé, ce qui est essentiel pour faire face à des terrains difficiles ou pour transporter des charges plus lourdes. Son efficacité de 78% assure une utilisation énergétique optimisée, ce qui est essentiel pour prolonger l’autonomie de la batterie.
Cependant, il convient de noter que ce moteur n’est compatible qu’avec les chaînes de vélo ordinaires, ce qui peut limiter ses options d’utilisation. De plus, avec un poids de 3.01KG, ce moteur peut être considéré comme lourd pour certains utilisateurs. Cela peut être un facteur à prendre en compte lors du choix d’un moteur pour votre tricycle électrique.
Globalement, le moteur à engrenages de tricycle électrique 350W 24V 36V, moteur à balais cc My1016Z3, offre une puissance et des performances solides pour les tricycles électriques. Il convient aux utilisateurs qui recherchent une expérience de conduite rapide et qui ont besoin d’un moteur capable de faire face à des terrains difficiles ou de transporter des charges plus lourdes.
FAQ
Quelle est la puissance de sortie de ce moteur ?
La puissance de sortie nominale de ce moteur est de 350W.
Quelle est la vitesse de conduite maximale de ce moteur ?
La vitesse de conduite maximale de ce moteur est de 25 km/h.
Quelle est la charge maximale que ce moteur peut supporter ?
Ce moteur peut supporter une charge maximale de 150KG.
Est-ce que ce moteur est compatible avec tous les types de tricycles ?
Ce moteur est spécialement conçu pour les tricycles légers.
