





.
.
Points Clés
Voici les points importants à retenir du produit :
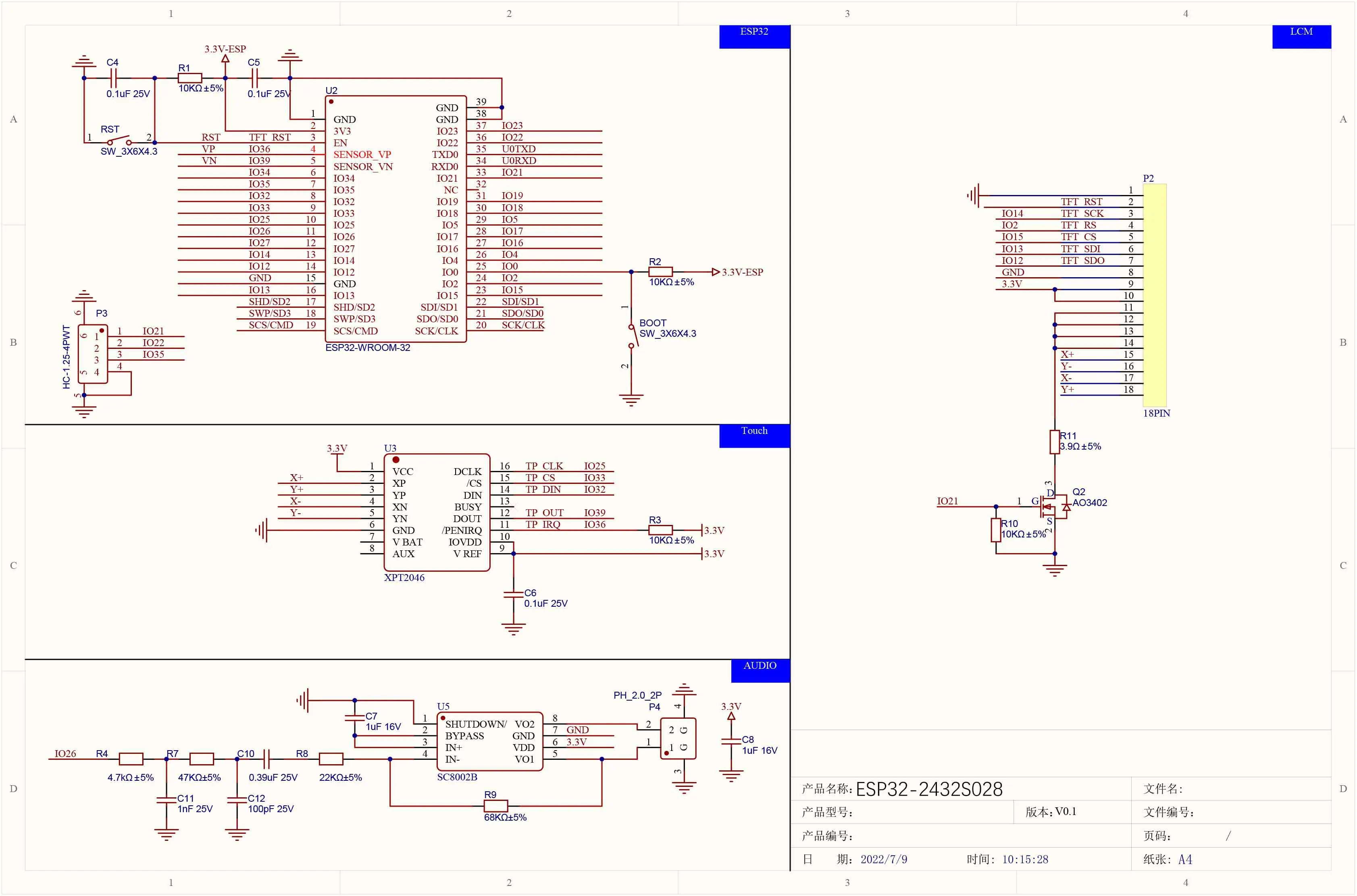
- Module ESP32 de 2.8 pouces avec écran d’affichage intelligent
- Résolution d’affichage de 240×320
- Fonctionne avec le contrôleur ESP32-DOWDQ6, un processeur double cœur
- Intégration du WiFi et du Bluetooth
- Compatible avec les logiciels de programmation Arduino IDE, ESP IDE, MicroPython et Mixly
Description du produit
Ce module LCD utilise le module ESP32
