


.
.
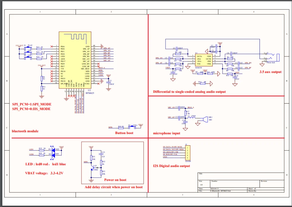
Module audio stéréo Bluetooth 5.0, BTM308 QCC3008, aptx ll, sortie I2S, TWS – Test et Avis
Points Clés
- Modèle de module: BTM-308
- Puce Bluetooth: QCC3008, flash SPI intégré de 16m
- Version Bluetooth: 5.0
- Taille du module: 13mm x 28.5mm x 2.5mm
- Tension d’alimentation électrique: 3.0-4.3v
Description du Produit
Le module audio stéréo Bluetooth 5.0 BTM308 est équipé de la puce QCC3008 avec un flash SPI intégré de 16m. Il offre une connexion Bluetooth de version 5.0 et a une taille compacte de 13mm x 28.5mm x 2.5mm. La tension d’alimentation électrique est de 3.0-4.3v.
Firmware par défaut
- Prise en charge du décodage SBC, AAC, aptx, aptx ll, sans fonction d’appel
- Description des touches :
- MFB: mise sous tension à haut niveau, mise hors tension à bas niveau, et entrer automatiquement en mode d’appariement
- PIO8: appuyez brièvement sur la pause de lecture, appuyez longuement pendant 3 secondes pour entrer dans l’appairage, et appuyez longuement pendant 5 secondes pour effacer l’enregistrement de l’appairage
- PIO1: appuyez brièvement sur la chanson précédente, appuyez longuement pour diminuer le volume
- PIO0: appuyez brièvement sur une chanson, appuyez longuement sur le volume
- PIO6: broche d’activation du contrôle de l’amplificateur de puissance (avec sortie audio, sortie haut niveau 1.8V)
- Description des touches composites :
- PIO8 + PIO1: appuyez et maintenez enfoncé pendant 1 seconde pour entrer dans le mode de recherche TWS
- PIO8 + PIO0: appuyez et maintenez pendant 1 seconde pour entrer dans le mode TWS recherché
- PIO1 + PIO0: appuyez et maintenez pendant 1 seconde pour déconnecter TWS
- Description des indicateurs lumineux :
- Bluetooth non connecté: LED0 LED1 clignotent alternativement
- Bluetooth connecté: LED1 est toujours allumé
- Lecture audio Bluetooth: LED1 est toujours allumé
Images







Ce que pensent les clients du produit
Malheureusement, il n’y a pas d’avis clients disponibles pour ce produit. Cependant, en se basant sur sa description, on peut noter certains avantages et limitations potentiels. Parmi les avantages, on peut souligner la prise en charge du décodage SBC, AAC, aptx et aptx ll, ainsi que sa taille compacte. En revanche, une limitation possible est l’absence de fonction d’appel téléphonique.
Notre avis sur le produit
Le module audio stéréo Bluetooth 5.0 BTM308 semble être un choix intéressant pour ceux qui recherchent une solution compacte et polyvalente pour leurs besoins audio. Sa prise en charge de différentes technologies de décodage garantit une qualité sonore optimale, tandis que sa version Bluetooth 5.0 assure une connexion stable et rapide. Cependant, il est important de noter l’absence de fonction d’appel téléphonique, ce qui peut être un inconvénient pour certains utilisateurs.
FAQ
Coming soon…
