LIQUIDATION TOTALE

JUSQU'À -70% ! PROFITEZ-EN AVANT LA FIN.

VOIR TOUS LES PRODUITS
Led Bargraph

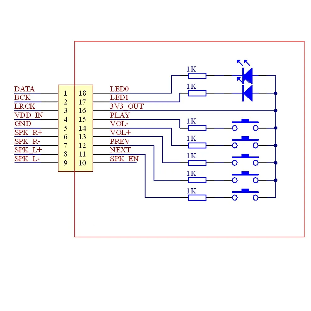
Module audio Bluetooth sans perte haut de gamme avec fibre optique et aptX-HD – Test et Avis

Blog > Led Bargraph > Module audio Bluetooth sans perte haut de gamme avec fibre optique et aptX-HD – Test et Avis

.
.





Test et Avis sur le module audio Bluetooth<

Points Clés

Voici les points importants à retenir

SHOPPING CART

close