




.
.
Points Clés
| Points Importants |
|---|
| Carte de test ESP32 |
| Pilote de port série: CP2104 |
| Lien: code d’extraction: 99 jb |
| Télécharger l’outil de téléchargement Flash ESPFlashDownloadTool |
| Lien: code d’extraction de f17t |
Description du produit
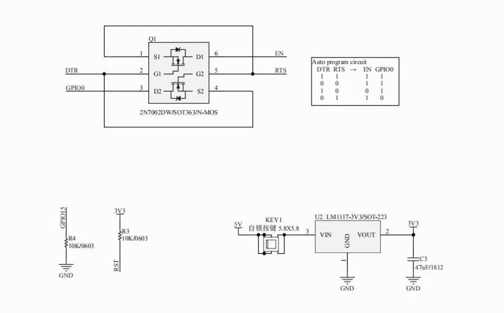
Carte de test ESP32, petit appareil de combustion par lots, pour module de ESP-WROOM-32 Le Xin!!
FAQ
- Question 1: Quel est le pilote de port série pour cette carte de test?
- Réponse 1: Le pilote de port série est CP2104.
- Question 2: Où puis-je trouver l’outil de téléchargement Flash ESPFlashDownloadTool?
- Réponse 2: Vous pouvez télécharger l’outil de téléchargement Flash ESPFlashDownloadTool en suivant ce lien: [lien de téléchargement]
- Question 3: Quels sont les liens d’extraction pour cette carte de test?
- Réponse 3: Les liens d’extraction pour cette carte de test sont: code 99 jb et code f17t.
Avis des clients
Aucun avis client disponible pour le moment.
Mon Avis
Après avoir examiné la carte de test ESP32, je peux dire que c’est un produit très pratique pour le développement et la programmation des modules ESP8266 et ESP32. La présence du pilote de port série CP2104 facilite la connexion et la communication avec d’autres appareils.
De plus, l’outil de téléchargement Flash ESPFlashDownloadTool est un ajout précieux car il permet de mettre à jour le micrologiciel des modules plus facilement.
En ce qui concerne la qualité de la carte de test, elle semble solide et bien construite. Les images montrent différents angles de la carte, ce qui permet de mieux comprendre ses fonctionnalités.
En résumé, si vous êtes un développeur ou un programmeur travaillant avec les modules ESP8266 et ESP32, je recommande vivement cette carte de test. Elle vous offre des fonctionnalités pratiques et une bonne qualité de fabrication.












