





.
.
Points Clés
Thermocouple analogique 1 en 1 sortie, convertisseur 4-20mA, isolateur de signal de température offre les caractéristiques suivantes :
- Accepte les types vairous RTD et l’entrée de signaux de comité technique
- Température ambiante d’entrée réglable
- Isolation de l’entrée, de la sortie et de l’alimentation
- Diagnosis d’auto de défaut intégré
- Isolation des signaux de température RTD et TC
- Produit des signaux analogiques et des signaux de température simultanément
Images détaillées




Tableau de sélection


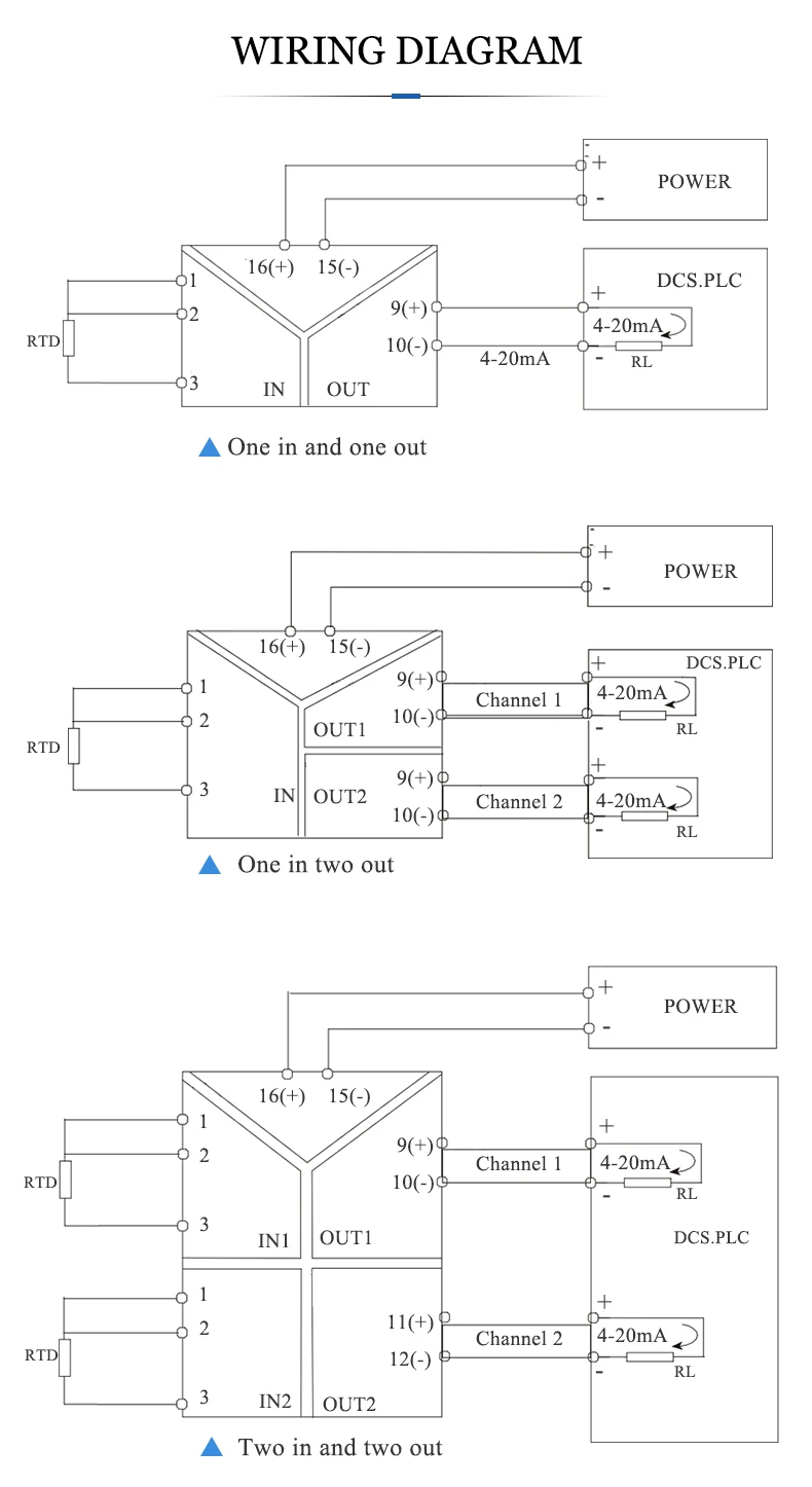
Schéma de câblage

Notre service
- Nous vous garantissons le prix inférieur de nous par rapport à vos prix compétitifs des autres dans le volume.
- Nous pouvons vous garantir que tout problème de qualité de notre part vous remboursera immédiatement ou le remplacera par des produits neufs et qualifiés.
- OEM, accepter la commande d’essai de quantité inférieure.
- Livraison rapide. 24 heures avec le coursier de réduction, expédition aérienne.
- Il contient une variété de produits industriels tels qu’un convertisseur de signal, des capteurs de pression et de liquide, des convertisseurs de température, de courant, de tension, de fréquence et autres.
- 24 heures de service en ligne.
- Garantie à long terme. Transmetteurs de pression et de niveau sont de 2 ans. Les autres dans notre boutique sont dans les 5 ans.
Société et certificats


Expédition et livraison

