





.
.
Points Clés
- Modèles de sélection de produits:
- C352 (sans capteur)
- C352-1P (avec 1 capteur)
- C352-2P (avec 2 capteurs)
- C352-3P-ingress (avec 3 capteurs)
- C352-3P-overflow (avec 3 capteurs)
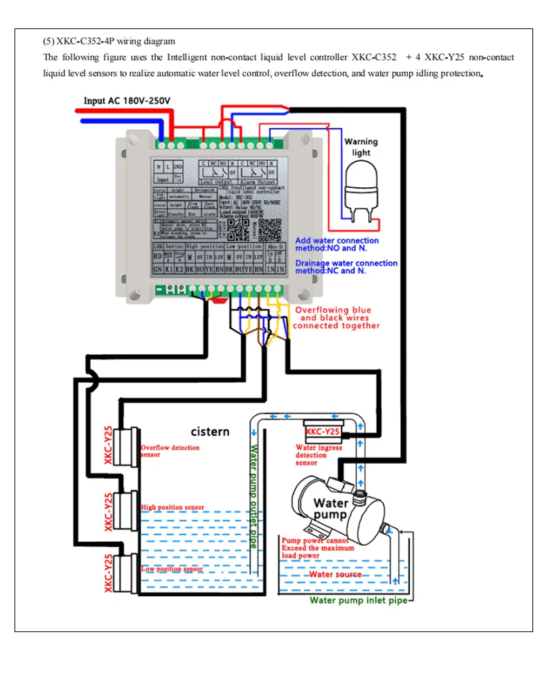
- C352-4P-ingress et les débordements (avec 4 capteurs)
- Aperçu:
- Le contrôleur de niveau haut et bas XKC-C352 et la tête de détection de niveau de liquide XKC-Y25-V permettent le contrôle automatique du niveau de liquide dans un réservoir.
- Caractéristiques du produit:
- Alimentation AC110V ~ 250V
- Sortie de nœud sec de relais, adaptée à divers contrôles de charge
- Le contrôle peut être manuel ou automatique
- Installation simple et pratique
Test et Avis
Modèles de sélection de produits
Le Contrôleur de niveau sans contact XKC-C352 est disponible en plusieurs modèles:
- C352 (sans capteur)
- C352-1P (avec 1 capteur)
- C352-2P (avec 2 capteurs)
- C352-3P-ingress (avec 3 capteurs)
- C352-3P-overflow (avec 3 capteurs)
- C352-4P-ingress et les débordements (avec 4 capteurs)
Aperçu
Le Contrôleur de niveau sans contact XKC-C352 en combinaison avec la tête de détection de niveau de liquide XKC-Y25-V permet un contrôle automatique du niveau de liquide dans un réservoir. Lorsque le niveau de liquide est trop bas, le contrôleur d’alarme est déclenché pour activer la pompe à eau et ajouter du liquide. Lorsque le niveau de liquide atteint une certaine hauteur, la pompe à eau s’arrête automatiquement, maintenant ainsi le niveau de liquide stable.
Caractéristiques du produit
Le Contrôleur de niveau sans contact XKC-C352 offre les caractéristiques suivantes:
- Alimentation AC110V ~ 250V
- Sortie de nœud sec de relais, adaptée à divers contrôles de charge
- Contrôle manuel ou automatique
- Installation simple et pratique, utilisable avec des vis ou des rails de boîte électrique
Ce que pensent les clients du produit
Aucun avis client disponible pour le moment.
Mes impressions sur le produit
Le Contrôleur de niveau sans contact XKC-C352 est un produit polyvalent et pratique pour le contrôle automatique du niveau de liquide dans un réservoir. Son fonctionnement simple et ses différentes options de modèle en font un choix adapté à différents besoins. Cependant, l’absence d’avis clients rend difficile l’évaluation de sa fiabilité et de sa durabilité. Dans l’ensemble, ce produit semble offrir des fonctionnalités intéressantes pour ceux qui cherchent à automatiser le contrôle de leur niveau de liqu
