





.
.
Points Clés
- Modèles de sélection de produits : XKC-C382-1P, XKC-C382-2P, XKC-C382-3P, XKC-C382-4P
- Contrôleur de niveau haut et bas pour le contrôle automatique du niveau de liquide
- Alimentation à tension large AC110V-220V ou DC12-24V
- Sortie active de contact de relais pour différents contrôles de charge
- Montage mural à vis simple et pratique
Aperçu
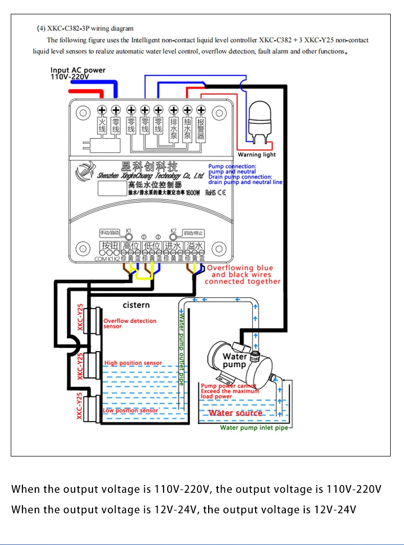
Le contrôleur de niveau haut et bas XKC-C382-110V-220V-XP ou DC12-24V et deux têtes de détection de niveau de liquide sans contact réalisent la fonction de contrôle haut et bas du niveau de liquide. Lorsque le niveau de liquide du récipient est trop bas, le signal d’alarme de niveau de liquide bas envoyé par le capteur de niveau de liquide bas est déclenché pour fermer le relais du contrôleur C382 et démarrer la pompe à eau. Lorsque le niveau de liquide atteint une certaine hauteur, le capteur de niveau de liquide élevé envoie un signal pour déclencher le contrôleur C382 afin d’ouvrir le relais et arrêter automatiquement la pompe à eau. Ainsi, la fonction de contrôle automatique du niveau de liquide du récipient est réalisée, et le niveau de liquide du récipient est maintenu stable.
Caractéristiques du produit
- Alimentation à tension large AC110V-220V ou DC12-24V
- Sortie active de contact de relais, appropriée à divers contrôles de charge
- Le contrôle est diversifié et la pompe peut être contrôlée en mode manuel ou automatique
- Le montage mural à vis est simple et pratique
Images









