LIQUIDATION TOTALE

JUSQU'À -70% ! PROFITEZ-EN AVANT LA FIN.

VOIR TOUS LES PRODUITS
Sg90 Servo

Contrôle des servos via communication série – Test et Avis

Blog > Sg90 Servo > Contrôle des servos via communication série – Test et Avis

.
.

Points Clés

MarqueOCSERVO
Numéro d’articleROBS-802

Description du produit

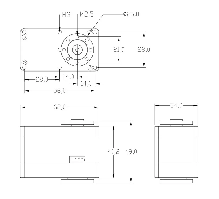
Le Robot Servo Serial de la marque OCSERVO, modèle ROBS-153, est un servo-moteur de bricolage avec une interface de communication série asynchrone en duplex intégral. Il est équipé d’un engrenage en métal et d’un boîtier en métal pour une durabilité et une résistance accrues. Ce moteur sans noyau de brosse de carbone est capable de fournir un couple de décrochage de 802g et une vitesse de rotation de 55 RPM. Il fonctionne avec une tension de 9.6V à 12.0V et dispose d’une résolution de 0.15°. Sa taille compacte de 62x34x47 mm et son poids de 135g en font un choix idéal pour les projets de robotique.

Robot Servo Serial

Spécifications

  • Tension de fonctionnement :
    • 9.6V
    • 12.0V
  • Couple de décrochage (kg-cm) :
    • 64
    • 90
  • Couple de décrochage (oz-in) :
    • 888.8
    • 1249.9
  • Vitesse (RPM):
    • 44
    • 55
  • Taille (mm): 62x34x47
  • Poids (g): 135g
  • Résolution: 0.15°
  • Angle de fonctionnement: 360° ou tour continu
  • Courant de veille: 30 mA
  • Courant de décrochage: 4800 mA à 12V
  • Température d’opération: -10°C ~ 80°C
  • Communication Protocole: OCS
  • Type de protocole: Communication série asynchrone en duplex intégral
  • Interface de bus: RS-485
  • Système de contrôle: Communication par paquets de bus
  • Module Limite: 254 (0-253)
  • Vitesse Com: 38400bps-1Mbps
  • Position FB: Oui
  • Temp FB: Oui
  • Charge FB: Oui
  • Vitesse FB: Oui
  • Tension d’entrée FB: Oui
  • Mesure de courant: Oui
  • Matériel: Engrenage en métal et corps en métal
  • Moteur: Moteur sans noyau de brosse de carbone
  • Téléchargement manuel: ROBS-802 Manuel (PDF)
  • Les dessins: ROBS-802 Dessin

Que pensent les clients du produit ?

Il n’y a pas d’avis disponibles pour le moment.

Avis personnel

Le Robot Servo Serial ROBS-153 de la marque OCSERVO offre de bonnes performances avec un couple de décrochage de 802g et une vitesse de rotation de 55 RPM. Sa taille compacte et son poids léger en font un servo-moteur idéal pour les projets de robotique. De plus, sa structure en métal garantit une durabilité optimale. Cependant, il serait préférable d’avoir des avis de clients pour confirmer ses performances réelles dans les projets pratiques.

FAQ

Les questions fréquemment posées seront ajoutées ici.

SHOPPING CART

close