LIQUIDATION TOTALE

JUSQU'À -70% ! PROFITEZ-EN AVANT LA FIN.

VOIR TOUS LES PRODUITS
Stm32 St Link

Carte adaptateur convertisseur multifonction STM32 JTAG. – Test et Avis

Blog > Stm32 St Link > Carte adaptateur convertisseur multifonction STM32 JTAG. – Test et Avis

.
.




Test et avis sur le produit


Points Clés

Points Importants
Carte adaptateur multifonction pour JTAG J-Link V8 V9 U-Link2 bras ST-Link

Description du produit

Carte adaptateur multifonction

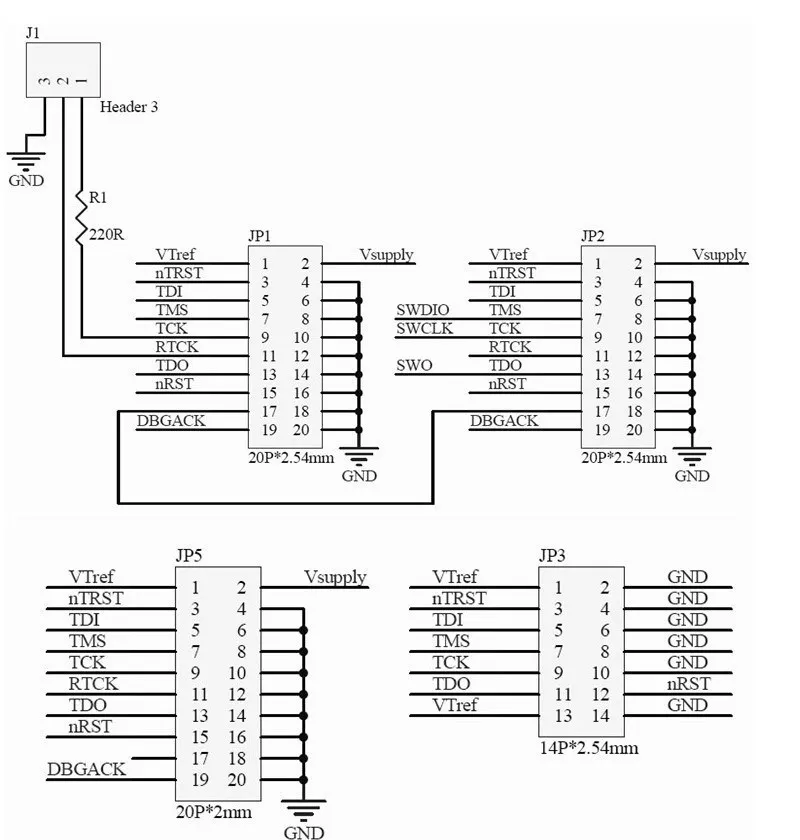
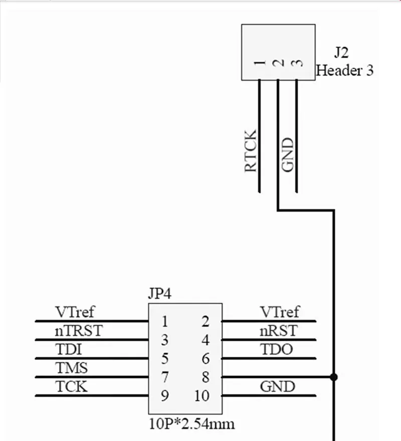
Les interfaces fournies par la carte adaptateur multifonction sont les suivantes:

  • Interface 1: prise d’angle à 20 broches à 2.54 pas x 1 (peut être directement connectée à la prise JTAG)
  • Interface 2: prise droite à 20 broches à 2.54 pas x 1
  • Interface 3: prise droite à 20 broches à pas de 2.0×1
  • Interface 4: prise droite à 14 broches à 2.54 pas x 1
  • Interface 5: prise droite à 10 broches à 2.54 pas x 1
  • Interface 6: 2.0 pas 10 broches prise droite x 1
  • Interface 7: 2.54 pas 6 broches prise droite x 1
  • Interface 8: prise droite à 4 broches à 2.54 pas x 1

 

 

Schéma 1:

image  imageimage

Que pensent les clients du produit?

Aucun avis de clients disponibles pour le moment.

Avis du rédacteur

L’adaptateur de convertisseur multifonction STM32 pour JTAG J-Link V8 V9 U-Link2 bras ST-Link est un outil pratique pour les professionnels de la STM32. Avec ses interfaces multiples, il offre une grande flexibilité pour les connexions JTAG. De plus, sa conception compacte le rend facile à transporter et à utiliser. Les schémas fournis sont clairs et faciles à comprendre. Cependant, il est important de noter que cet adaptateur est spécifiquement conçu pour les utilisateurs expérimentés de la STM32 et peut ne pas convenir aux débutants. En conclusion, si vous êtes un professionnel de la STM32 à la recherche d’un adaptateur multifonction fiable, cet adaptateur pourrait être un bon choix.

FAQ

Quelles sont les interfaces fournies par cet adaptateur?

Cet adaptateur offre 8 interfaces différentes, notamment une prise d’angle à 20 broches, une prise droite à 20 broches, une prise droite à 20 broches avec un pas de 2.0, une prise droite à 14 broches, une prise droite à 10 broches, une prise droite à 2.0 pas à 10 broches, une prise droite à 2.54 pas à 6 broches et une prise droite à 4 broches.

Cet adaptateur convient-il aux débutants?

Cet adaptateur est spécifiquement conçu pour les utilisateurs expérimentés de la STM32. Il peut ne pas convenir aux débutants qui ne sont pas familiers avec les connexions JTAG et les schémas de broches.


SHOPPING CART

close