

.
.
Points Clés
- Le capteur de gaz à capteur d’alcool MQ-3 est sensible à l’alcool et résiste aux interférences de l’essence, de la fumée et de la vapeur d’eau.
- La conductivité du capteur augmente avec la concentration d’alcool dans l’air, ce qui permet de détecter différentes concentrations d’alcool.
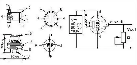
- Le capteur utilise du dioxyde d’étain (SnO) pour détecter la présence de vapeur d’alcool.
- Le capteur de gaz MQ-3 est facile à utiliser grâce à son circuit d’entraînement simple.
- Ce capteur est idéal pour les applications telles que l’alarme de gaz d’alcool pour les véhicules et les détecteurs de gaz d’alcool portables.

Test et Avis
Description du produit
Le capteur de gaz à capteur d’alcool MQ-3 utilise du dioxyde d’étain à faible conductivité dans l’air pur. Lorsque de la vapeur d’alcool est présente, la conductivité du capteur augmente en fonction de la concentration d’alcool dans l’air. Cette variation de conductivité peut être convertie en un signal de sortie correspondant à la concentration de gaz grâce à un circuit simple.
Avantages et Limitations
- Avantages :
- Très sensible à l’alcool
- Résiste aux interférences de l’essence, de la fumée et de la vapeur d’eau
- Capteur à faible coût
- Facile à utiliser avec un circuit d’entraînement simple
- Limitations :
- Peut ne pas être aussi précis que des capteurs plus avancés
- Peut être sensible à d’autres gaz en plus de l’alcool
Ce que pensent les clients
Nous n’avons pas encore recueilli d’avis de clients pour ce produit.
Notre avis
Le capteur de gaz à capteur d’alcool MQ-3 est un choix idéal pour les applications nécessitant la détection d’alcool. Il est sensible à l’alcool et résiste aux interférences des autres gaz courants. De plus, il est facile à utiliser grâce à son circuit d’entraînement simple. Cependant, il convient de noter que ce capteur peut ne pas être aussi précis que des capteurs plus avancés et peut être sensible à d’autres gaz en plus de l’alcool. Malgré ces limitations, le capteur de gaz MQ-3 offre une solution abordable pour de nombreuses applications.
FAQ
FAQ section goes here…
