




.
.
Points Clés
Voici les points importants à retenir du produit Bracelet d’affichage à écran LCD OLED de petite taille :
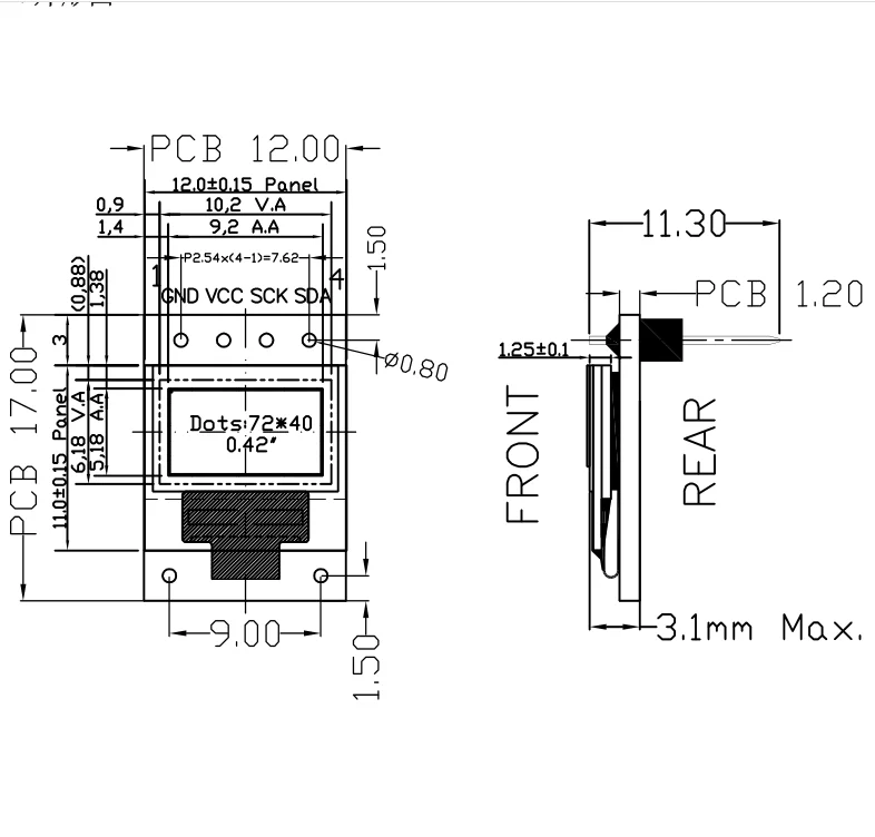
- Dot Matrix: 72X40 Dots
- OLED Mode: Positive
- Drive mode: 1/40 Duty
- LCM working voltage (module pin 2 VCC): 3.3~5V
- Working temperature: -40C ~70
- Storage temperature: -40C ~85C
- Connection method/Drive IC: COG/SSD1306
- Interface: IIC
- Module size: 12mm (L)*17mm(1)*11.3Maxm(T)
- Visible area (V/A): 10. 2mm (L)*6.18mm (W)
- Effective area (A/A): 9. 2mm (L)*5.18mm(W)
- Point distance: 0. 128mm (1)*0.13m(W)
- Point size: 0. 108m(L)*0.11m(W)
Test et Avis sur le Bracelet d’affichage à écran LCD OLED de petite taille
Fonctions et Caractéristiques
Le bracelet d’affichage à écran LCD OLED de petite taille offre une matrice de points de 72X40 dots et un mode OLED positif. Il fonctionne avec un mode de drive de 1/40 Duty et une tension de travail entre 3.3V et 5V. Le bracelet supporte une température de fonctionnement de -40°C à 70°C et une température de stockage de -40°C à 85°C. La connexion se fait via une interface IIC et le drive IC utilisé est COG/SSD1306.
Spécifications Mécaniques
- Taille du module : 12mm (L)*17mm(1)*11.3Maxm(T)
- Zone visible : 10.2mm (L)*6.18mm (W)
- Zone effective : 9.2mm (L)*5.18mm(W)
- Distance entre les points : 0.128mm (1)*0.13m(W)
- Taille des points : 0.108m(L)*0.11m(W)









Ce que pensent les clients du produit
Aucun avis client disponible pour le moment.
Avis personnel
Malheureusement, je n’ai pas pu trouver d’avis client sur ce produit spécifique. Cependant, en se basant sur sa description, il semble offrir une petite taille et une interface IIC pratique. La fonction OLED positive devrait offrir une bonne luminosité, et le bracelet est compatible avec une large plage de tensions de fonctionnement. Les températures de fonctionnement et de stockage sont également assez larges, ce qui est un avantage certain. Cependant, l’absence d’avis client rend difficile de juger de la qualité et de la performance réelle du produit.
FAQ
FAQ à venir…
