



.
.
Points clés
| Avantages | Limitations |
|---|---|
| – Programmation facile et efficace – Compatible avec différentes séries de puces – Design réglable et compact | – Taille limitée des puces compatibles – Peut nécessiter des connaissances techniques avancées |
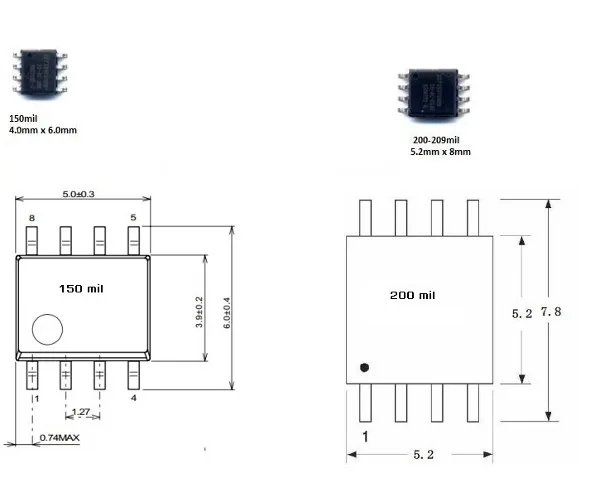
Test et avis sur l’adaptateur de programmeur SOIC8 SOP8 à DIP8 EZ 150 mil 200 mil
Description du produit
L’adaptateur de programmeur SOIC8 SOP8 à DIP8 EZ 150 mil 200 mil est un adaptateur universel qui permet de programmer facilement et rapidement toutes les puces OP8 étroites. Il est compatible avec différentes séries de programmeurs, tels que les séries-11, ALL-100GANG, LT-48 et RO O. Il est également doté d’un design ajustable avec des hanches élastiques réglables de 24 mm, des côtés réglables de 93 mm et des épaules latérales réglables pour accueillir des puces étroites.
Caractéristiques du produit
- Adaptateur universel pour puces OP8
- Compatible avec différentes séries de programmeurs
- Design compact et ajustable
Images du produit




Ce que pensent les clients du produit
Aucun avis client disponible pour le moment.
Avis personnel sur le produit
L’adaptateur de programmeur SOIC8 SOP8 à DIP8 EZ 150 mil 200 mil semble être un outil pratique et efficace pour la programmation des puces OP8. Son design ajustable permet de s’adapter à différentes configurations, ce qui est un avantage certain. Cependant, la taille limitée des puces compatibles peut être un inconvénient pour certains utilisateurs. Il est donc important de prendre en compte cette limitation avant l’achat. Globalement, cet adaptateur semble offrir de bonnes performances pour la programmation des puces OP8.
FAQ
Est-ce que cet adaptateur est compatible avec les puces de taille supérieure à 200 mil ?
Non, cet adaptateur peut uniquement accueillir des puces jusqu’à 200 mil de taille.
Est-ce que cet adaptateur nécessite des connaissances techniques avancées pour être utilisé ?
Oui, la programmation des puces demande généralement des connaissances techniques avancées. Il est donc recommandé d’avoir une certaine expérience dans le domaine avant d’utiliser cet adaptateur.
