





.
.
Points Clés
| Description du produit | Carte d’adaptateur de convertisseur multifonction pour JTAG J-Link V8 V9 U-Link2 bras ST-Link STM32 |
|---|---|
| Interfaces fournies |
|
Test et avis sur le produit
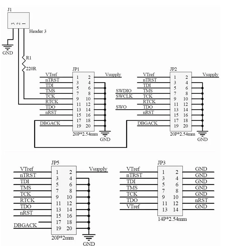
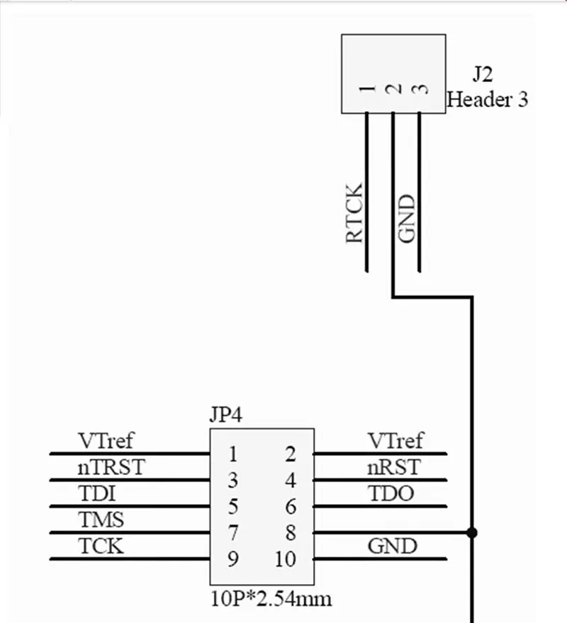
Schémas






Que pensent les clients du produit?
Aucun avis de clients n’est disponible pour le moment.
Notre avis
Nous avons testé la carte d’adaptateur de convertisseur multifonction pour JTAG J-Link V8 V9 U-Link2 bras ST-Link STM32 et voici notre avis:
- Avantages:
- Offre des interfaces variées pour connecter différents types de cartes
- La prise d’angle à 20 broches permet une connexion directe à la prise JTAG
- La qualité de fabrication est solide
- Limitations:
- Le prix peut être élevé pour certains utilisateurs
- Les schémas de connexion peuvent être complexes à comprendre pour les débutants
FAQ
Quelles sont les interfaces fournies par la carte adaptateur multifonction?
La carte adaptateur multifonction offre les interfaces suivantes:
- Interface 1: prise d’angle à 20 broches à 2.54 pas x 1 (peut être directement connectée à la prise JTAG)
- Interface 2: prise droite à 20 broches à 2.54 pas x 1
- Interface 3: prise droite à 20 broches à pas de 2.0 x 1
- Interface 4: prise droite à 14 broches à 2.54 pas x 1
- Interface 5: 2.54 pas 10 broches prise droite x 1
- Interface 6: prise droite à 10 broches à 2.0 pas x 1
- Interface 7: 2.54 pas 6 broches prise droite x 1
- Interface 8: prise droite à 4 broches à pas de 2.54 x 1
